
型号 | GT2708-STBA |
显示屏 | |
显示屏类型 | TFT彩色液晶 |
画面尺寸 | 8.4英寸 |
分辨率 | SVGA:800×600dot |
显示尺寸 | 170.9(W)×128.2(H)mm |
显示字符数 | 16点阵标准字体时:50字×37行(全角); 12 点阵标准字体时:66字×50行(全角); |
显示颜色 | 65536色 |
亮度调节 | 32级 |
背光灯 | LED(不可更换) |
背光灯寿命 | 约60000小时(使用环境温度25℃、显示亮度50%时的时间) |
触摸面板 | |
方式 | 模拟电阻膜方式 |
键尺寸 | 最小2×2点阵(每键) |
同时按下 | 最大2点 |
寿命(写入次数) | 100万次以上(使用触控笔,操作力度在0.98N以下) |
用户储存器 | |
用户存储器容量 | 存储用存储器(ROM):57MB 动作用存储器(RAM):128MB |
寿命(写入次数) | 10万次 |
内部时钟精度 | ±90秒/月(环境温度25℃) |
电池 | GT11-50BAT型锂电池,寿命5年(环境温度25℃) |
内置接口 | |
RS-232 | 1ch传送速度:115200/57600/38400/19200/9600/4800bps 接口形状:D-sub 9针(公) |
RS-422/485 | 1ch传送速度:115200/57600/38400/19200/9600/4800bps 接口形状:D-sub 9针(母) |
以太网 | 1ch 数据传送方式:10BASE-T/100BASE-TX 接口形状:RJ-45(模块插头) |
USB(host) | 2ch(前面/背面);最大传送速度:Hign-Speed 480Mbps 接口形状:USB -A |
USB(device) | 1ch(前面);最大传送速度:Hign-Speed 480Mbps 接口形状:USB Mini-B |
SD存储卡 | 1ch支持SDHC(最大32GB) |
扩展接口 | 用于安装通讯模块/选购模块 |
扩展辅助接口 | 用于安装选购模块 |
侧面接口 | 用于安装通讯模块 |
蜂鸣器输出 | 单音(音程、音长可调整) |
POWER LED | 发光色:2色(蓝色、橙色) |
保护结构 | 正面:IP67F 柜内:IP 2X |
外形尺寸(W×H×D)mm | 241×194×52 |
面板开口尺寸(W×H)mm | 227×176 |
重量 | 1.5kg |
支持软件包 | GT Works3 Version 1.130L以上 |
电源电压 | AC100~240V(+10%、-15%) |
电源频率 | 50/60Hz ±5% |
最大负载时 | 41W以下 |
GOT单体 | 15W |
GOT单体背光灯熄灯时 | 10W |
冲击电流 | 60A以下(2ms、环境温度25℃、最大负载时) |
容许瞬停时间 | 20ms以内(AC100V以上) |
噪声耐量 | 噪声电压1500Vp-p、噪声幅度1μ s;根据噪声频率为25~60Hz的噪声模拟器 |
耐电压 | 电源端子s总括↔地线间AC1500V 1分钟 |
绝缘电阻 | 电压端子总括↔地线间DC500V绝缘电阻表10MΩ以上 |






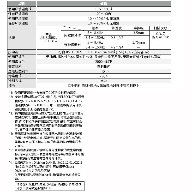
鼠标按住图片可看放大效果